您现在的位置:主页 > 产品中心 > 灌装设备 > 液体灌装机 >
医用诊断试剂灌装机旋盖机
设备简介:
本机由我公司自主研发的一款医用诊断试剂灌装机旋盖机,能同时完成自动理瓶、自动上瓶、定量灌装、自动理盖、上盖和旋盖封口等动作。本机采用日本全进口高精度封闭式凸轮分度工位器,精度高,运行可靠,使用寿命长。该分度器结构简单,长期使用无需维修。该型号设备主要用于ⅣD体外诊断试剂制药、生物制药行业及科研领域装。机器设计紧凑合理、外形简洁美观,灌装量调节方便。

医用诊断试剂灌装机旋盖机设备原理:
本机为试剂瓶的专用灌装设备,能完成自动理瓶、进瓶、液体灌装、自动理盖、戴盖和旋盖封口。管子放于理瓶器中,由理瓶器整理成列,再由气缸逐个送入等分盘中,等分盘作16等分的间歇运动,瓶子随等分盘转动;经灌装工位时,灌装头分二次灌装;再经戴盖工位时,盖子自动戴在瓶口上;再经旋盖工位,旋盖头下降,将盖子旋紧在瓶口上。完成灌装封口的瓶子,最后被气缸推到贴标输送带中,再被送到后道贴标工位上。理瓶和理盖由振震器完成,灌装为由双头蠕动泵完成,贴标送瓶由贴标机上的输送电机完成。各机构在PLC控制下,共同协调完成各个动作。
医用诊断试剂灌装机旋盖机设备特点:
1、采用高精度蠕动泵执行灌装,精度高,物料不交叉污染;泵的结构采用快接式拆卸机构,便于清洗、消毒。
2、西门子PLC控制系统,彩色触摸屏显示。
3、该机具有缺瓶不灌装和自动计数功能。
4、灌装针头设有防滴漏装置。
5、灌装时灌装头潜入瓶底,缓慢上升,可有效防气泡。
6、采用磁力扭矩旋盖头,旋盖力矩无级可调,具有恒力矩旋盖功能,纠正倾斜瓶盖,不伤盖,封口严密可靠;
7、物料接触部分采用SUS316L不锈钢制造,整机外观为SUS304不锈钢,完全符合GMP要求。
8、本机可选配防尘罩搭配层流罩(FFU)结构,可达到局部百级环境下完成灌装及封盖。

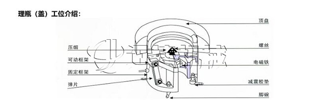
理瓶(盖)工位介绍:
振动盘料斗下面有个脉冲电磁铁,可以使料斗作垂直方向振动,由倾斜的弹簧片带动料斗绕其垂直轴做扭摆振动。料斗内瓶子或者瓶盖,由于受到这种振动而沿螺旋轨道上升。在上升的过程中经过一系列轨道的筛选或者姿态变化,瓶子、瓶盖能够按照组装或者加工的要求呈统一状态自动进入组装或者加工位置。 其工作目的是通过振动将无序工件自动有序定向排列整齐、准确地输送到下道工序。
主要技术参数:
装量范围 1-10ml
适用规格 试剂瓶
装量误差 ≤ ±1%
灌装头数 双头
旋盖头数 单头
旋(轧)盖合格率 ≥99%
生产能力 30-40BPM
灌装方式 蠕动泵流量式灌装
电源 380V/50Hz
功率 1.8 kw
机器净重 450kg
外形尺寸 1100*1000*1800mm
产品细节:


